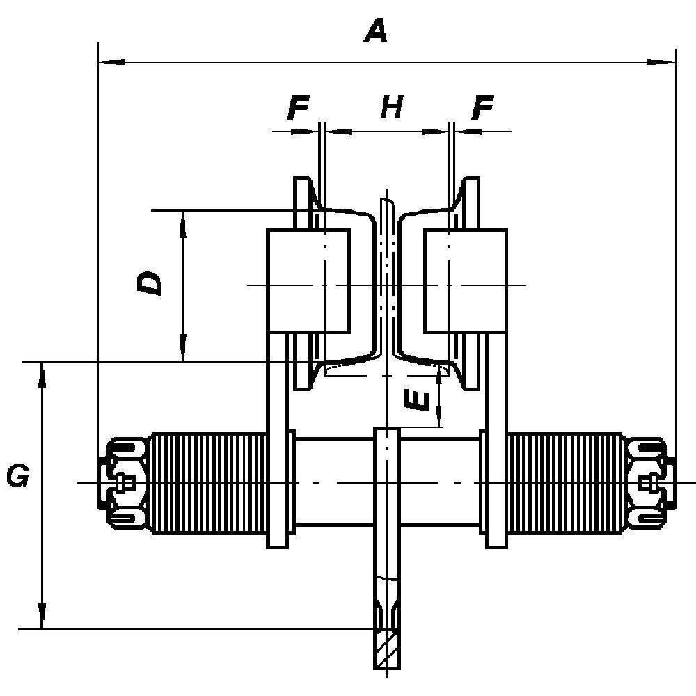
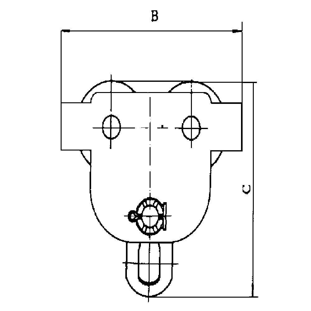
120257 SBT SERIES MANUAL TROLLEY - 10 TON JET

Item#: MHG-120257

Appelez-nous pour un prix
Retour